0.5 GHz to 6 GHz – Power Divider
-
Delivery Time30-45 Days
-
English levelProfessional
Service Description
End Product + Design Documents + Production Documents
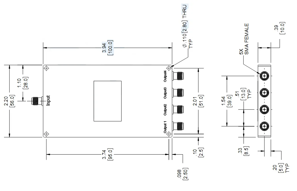
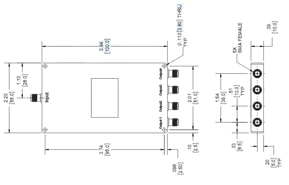
This 4-way RF power divider is designed to operate across a wide frequency range from 500 MHz to 6 GHz, making it suitable for a broad range of RF and microwave applications. It features four SMA female output ports and one SMA female input, all matched to 50 Ohms, and is capable of handling up to 30 Watts of continuous wave (CW) input power. The peak power handling capacity is rated at 300 Watts.
Engineered for optimal performance, this power splitter ensures signal division with equal amplitude and phase across all output ports. It maintains a maximum amplitude imbalance of 0.3 dB and offers a typical phase balance of 3 degrees (maximum 4 degrees). The maximum insertion loss is 1.8 dB, and it provides a minimum port-to-port isolation of 19 dB. The maximum input VSWR is rated at 1.4:1, helping maintain efficient power transfer and minimal reflection.
Constructed with a durable aluminum housing, the divider is designed to withstand reverse power levels of up to 2 Watts. It operates reliably within a temperature range of -40°C to +85°C, making it suitable for harsh environments.
This 4-port coaxial power divider is commonly used in systems that require splitting a single RF signal into multiple paths or combining signals with consistent magnitude and phase. Its broad frequency coverage and dependable performance make it ideal for applications in test and measurement, military and commercial communications, satellite systems, and wireless infrastructure.
Specifications
Frequency Range: 0.5 – 6 GHz
Impedance: 50 Ohms
Input VSWR: 1.35:1 – 1.4:1
Output VSWR: 1.3:1 – 1.4:1
Insertion Loss: 0.7 – 1.8 dB
Isolation: 19 – 20 dB
Amplitude Balance: 0.2 – 0.3 dB
Phase Balance: 3 – 4 Degrees
Nominal Power Splitting: 6 dB
Input Power (CW): 30 Watts
Reverse Power (CW): 2 Watts
Input Power (Peak): 300 Watts
Length: 2.18 in [55.37 mm]
Width: 3.9 in [99.06 mm]
Height: 0.39 in [9.91 mm].
Weight: 0.28 lbs [127.01 g]
Housing Material and Plating: Aluminum
Package Type: Connectorized
Input Connector: SMA Female
Output Connectors: SMA Female



