500 MHz to 1,000 – Hybrid Coupler
-
Delivery Time30-45 Days
-
English levelProfessional
Service Description
End Product + Design Documents + Production Documents
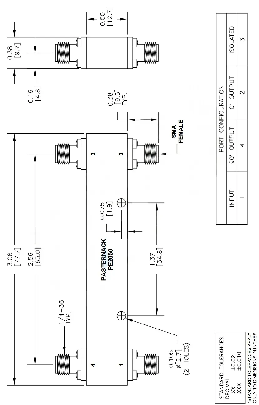
This high-power 90-degree hybrid coupler is designed to operate within the 500 MHz to 1,000 MHz frequency range and supports continuous wave (CW) power levels up to 100 Watts. It offers a minimum isolation of 28 dB and a maximum VSWR of 1.15:1, ensuring efficient signal handling and minimal reflection.
Equipped with SMA female connectors, the coupler is built in a compact connectorized package that complies with both REACH and RoHS environmental standards.
Ideal for RF applications requiring precise signal splitting or combining, this quadrature hybrid provides a 90-degree phase shift between output ports. It is well-suited for systems that demand balanced signal distribution or high isolation in signal combining scenarios.
Electrical Specifications
Frequency Range: 500 – 1,000 MHz
Impedance: 50 Ohms
Phase Difference: 90 Degrees
Coupling: 3.2 ±0.3 dB
Isolation: 28 dB
VSWR: 1.15:1
Amplitude Balance: ±1.2 dB
Phase Balance: ±3 Degrees
Input Power (CW): 100 Watts
Length: 3.06 in [77.72 mm]
Width: 0.5 in [12.7 mm]
Height: 0.38 in [9.65 mm]
Weight: 0.082 lbs [37.19 g]
RF Connector Type: SMA Female




